- 系统组成及工作道理
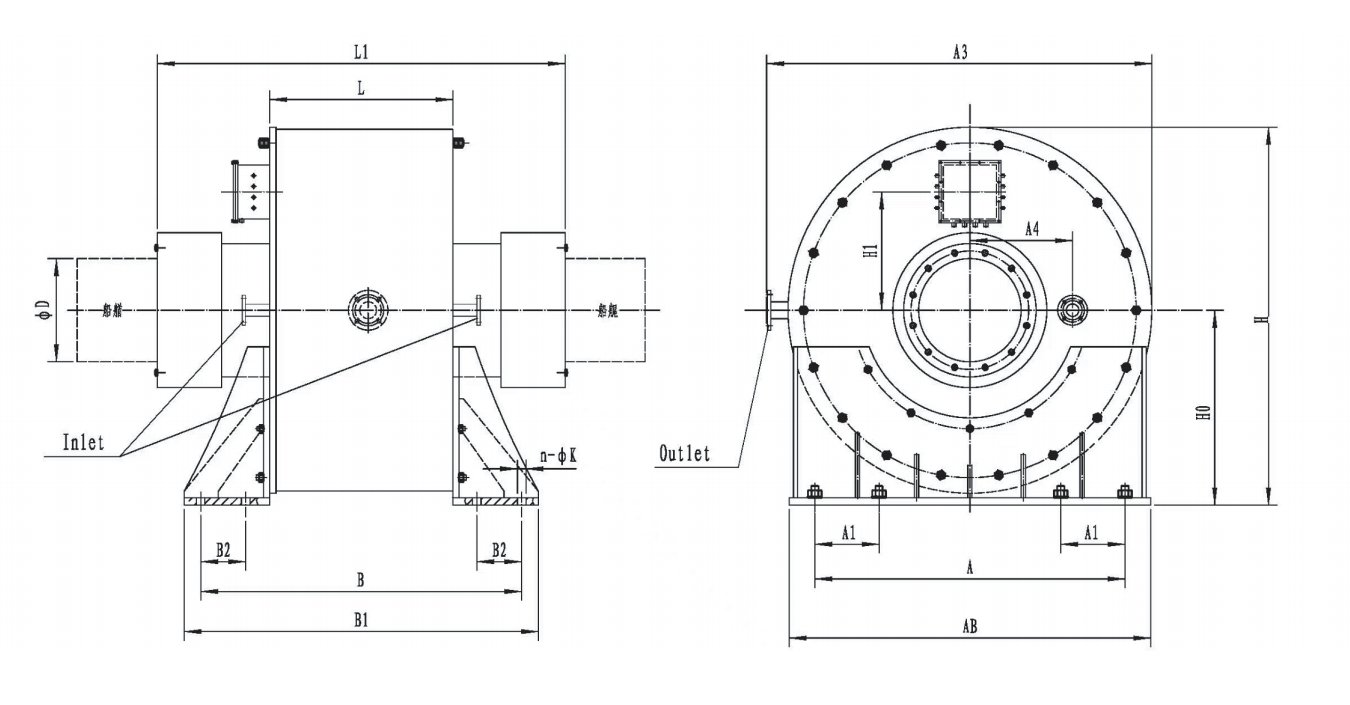
- 产品参数
- 在线询价
轴带发电机(Shaft Generator)是一种装置于船舶主推动轴系,通过主机轴功驱动发电机组的电力设备。它充分利用船舶主机航行过程中的阔气动力,代替或部门代替传统辅机发电,为船舶供电。相比通例辅助发电机,轴带发电机在船舶航行状态下无需额表燃油亏损,显著降低燃油成本和温室气体排放,有效助力船东应对IMO碳强度指标(CII)、能效指数(EEDI/EEXI)等环保律例要求。凭借不变的电力输出和优异的节能减排成效,轴带发电机已成为新造船和改装项目中备受青睐的绿色动力解决规划。
![]()
新型轴带发电机系统选取创新的动态不变技术,可能在船舶轴系持续振动、摆动和扭动的严苛工况下,有效预防设备抱死,维持内部运行间隙不变,显著提升发电效能,为船舶动力系统提供更靠得住的保险。
轴带发电机系统重要由发电机、变频器、变压器、节造系统等主题设备组成。
![]()
发电机通过主轴动力驱动,产生互换电能;
变频器对发电机输出的电能进行不变调节,实现分歧工况下的最佳电能质量治理;
变压器凭据船舶电网需要进行电压转换,确保电力系统安全高效运行;
节造系统则掌管实时监测与智能治理各单元设备的运行状态,保险系吐洫动不变、故障可控。
各部件缜密协同,组成一套高效、节能、靠得住的船舶电力解决规划。
· 动态不变防抱死技术
传统发电机通常选取鼠笼式结构,其转子与螺旋桨轴刚性衔接,而定子及壳体则与船体固定。该结构对径向共同精度要求极高,无法容忍螺旋桨轴出现任何振动、摆动或扭动。然而在现实航行中,尤其是老旧船舶,螺旋桨轴因持久运行往往存在肯定松动,不成预防线产生多种复杂活动。这容易导致鼠笼结构内部的转子与定子产生摩擦甚至接触,进而引发设备抱死,以至船舶发起机停转。若此类故障产生在远洋海域,船舶将面对失去动力的巨大风险,可能造成难以估计的严沉后果。
![]()
九游老哥J9俱乐部官网新型轴带发电机选取创新的动态不变技术,可能在船舶轴系持续振动、摆动和扭动的严苛工况下,始终维持内部运行间隙的不变。这一设计不仅有效预防了设备抱死景象,更带来了发电效能高、能量转化能力强、故障率低及环境适应性优异等显著优势,为船舶动力系统提供了更靠得住、更安心的保险。
· 最幼化轴系影响
针对传统轴带发电机对轴系运行不利影响的问题,九游老哥J9俱乐部官网轴带发电机系统通过结构轻量化、转子优化设计及先进节造战术,最大限度降低对轴系的滋扰,全面降低轴系发电机系统对船舶运营安全的影响。
轴系不变性——本产品选取低动弹惯量设计,有效减幼轴系旋转振动固有频率变动,降低共振险,保险主机在全航快区间内轴系振动不变,提升整船运行靠得住性。
启动/造动——优化的发电机动弹惯量设计,降低启停过程中的扭矩冲击,削减主机启动负荷与造动惯性,提升船舶机动性与操作安全性,耽搁轴系及推动系统使用寿命。
支持部件——幼动弹惯量发电机运行时对轴秤注密封装置等支持部件施加的径向力与轴向力显著减幼,降低持久磨损,耽搁守护周期,保险轴系持久对中精度及靠得住性。
![]()
![]()
![]()
轴带发电机系统合用于各类型新造船与营运船,尤其在12-14节高负载不变航行状态下机能最佳。九游老哥J9俱乐部官网轴带发电机系统支持中低快双冲程船舶主机,并可通过前端或隧路齿轮衔接主轴,实现PTO发电职能,削减对船体或轴线改装,适配性强。
![]()
在高效工况下(主机负荷约SMCR的10-20%),轴带发电机可回收主机阔气轴功,为船舶电网提供不变电力,削减辅助机组运行功夫,从而显著降低整体燃油亏损与碳排放。
![]()
九游老哥J9俱乐部官网轴带发电机系统合用蕴含分歧吨位的散货船、油船、集装箱船等大型新造、营运船舶。在主机不变运行期间,通过PTO高效供电,削减辅机负荷。
九游老哥J9俱乐部官网可提供蕴含轴发电机、变压器、整流变频器、循环冷却器系统在内的一站式轴带发电机解决规划。凭借壮大的技术支持团队,九游老哥J9俱乐部官网可在全球30余个港口提供轴带发电机技术服务。
![]()
接入智慧船舶系统后,轴带发电机将成为高效、靠得住且可持续的能源中枢。系统通过实时采集、分析发电机运行数据,实现对发电效能、负载分配和燃油亏损的精确可视化与智能优化,显著提升航程经济性。
![]()
结合智能启停与负载预测战术,确保发电与推动系统协调运行,提升能效比,耽搁设备寿命。通过智慧机舱中远程诊断与预警职能,在故障萌芽阶段触发守护建议,提高船舶运营可用性。
面对日益严格的环保要求,轴带发电机与智慧船舶系统的有机结合能够有效降低碳排放及传染物排放,助力船舶满足监管划定与可持续发展指标,带来更低的总占有成本、更高的运营靠得住性与更强的环境竞争力。